

Snubber Capacitors Used for IGBT(Solder)
Look at PDF:CXS 焊片IGBT用突波缓冲吸收电容器.pdf
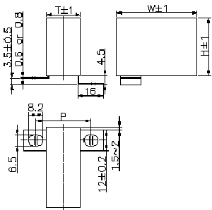
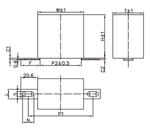
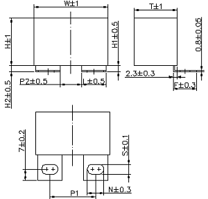
●Outline Drawing

L×F×N×S=14.3×16×9.2×6.2or L×F×N×S=14.3×15×9.2×6.2or
L×F×N×S=15×16.3×10.2×6.2 L×F×N×S=15×15×10.4×6.2
Style1 Style2

L×F×N×S=12×19.6×14.1×6.1 Style4
Style3

Applications
Used in applications of snubber protection of various.
Description of Products
Reference standard: BG/T 17702 idt IEC 61071,
GB/T 2693 idt IEC 60384-1.
Double sided metallized polar plate, polypropylene dielectric non-inductive winding.
Low ESR and high dv/dt.
Withstanding very high peak to peak value of current Ipp and
Technology Features
To adopt double sided metallized film electrode to enhance dv/dt property.
To offer module devices with in-built quick recovery transistor.
● Specifications
Reference Standard | GB/T 17702 (IEC 61071) | |
Climatic Category | 40/85/56 | |
Temperature Range(case) | -40~+85℃ | |
Rated Voltage Un | 630Vdc~3000Vdc | |
Capacitance Range | 0.047~9μF | |
Capacitance Tolerance ΔC/C | J:±5% K:±10% | |
Voltage Proof | 1.6Un ( 10s ) | |
Dissipation Factor | 5×10-4(1kHz,20℃) | |
Insulation Resistance | IR≥100000MΩ,CN≤0.33μF | 20℃,100Vdc,1min |
IR≥30000S,CN>0.33μF | ||
Expected Lifetime | ≥100000h @ UN θhs=70℃ | |
Part number system
●The 16 digits part number is formed as follow:
1 | 2 | 3 | 4 | 5 | 6 | 7 | 8 | 9 | 10 | 11 | 12 | 13 | 14 | 15 | 16 |
C | X | S |
Digit 1 to 3 Series code
CXS
Digit 4 to 6 Rated voltage
163=101×63V=630V
Digit 7 AC/DC
A=AC D=DC
Digit 8 to 10 Rated capacitance value
310=103×10pF=0.01μF
Digit 11 Capacitance tolerance
J=±5%,K=±10%
Digit 12 Main code
Digit 13 to 16 Internal use
● Internal use
Digit 13 | |||||
Rated voltage | Style of solder slice |
Width of case | Distance of hole for fixing | Distance of solder slice | |
W | P | Code | P1 | ||
630Vdc 700Vdc 850Vdc 1000Vdc | (Style 1) or (Style 2) | 37/42 | 17~25 | 1 | 7 |
22~30 | 2 | 12 | |||
57 | 30~38 | 3 | 20 | ||
35~43 | 4 | 25 | |||
(Style 3) | 37 | 52~62 | 5 | 33 | |
42 | 57~67 | 6 | 38 | ||
57 | 70~80 | 7 | 51 | ||
1200Vdc 1600Vdc 1700Vdc 2000Vdc 2500Vdc 3000Vdc | (Style 1) or (Style 2) | 37/42 | 16~24 | A | 6 |
21~29 | B | 11 | |||
57 | 31~39 | Inquiry Now
NavigationContact Us
![]() Mobile ![]() CopyRight © 2018-2026 CJE Capacitor (Changjie Technology Co.,Ltd) All rights reserved. Sitemap
Designed by Zhonghuan Internet
| |||