

It is suitable for cross connection and bypass, and is also suitable for arc extinguishing circuit, EMI filter, switching power supply, electric tool and other electronic circuits and electronic equipment with restraining interference requirements. UL94-V0 flame retardant plastic shell, flame retardant epoxy resin encapsulation, obtained in China, Europe and the United States and other countries / regions safety certification.
查看PDF:
C4A_CIS抑制电磁干扰与电源网络连接用电容器_2021.pdf
Capacitors For Electromagnetic Interference Suppression And Connection To The Supply Mains

● Description of Products
Metallized polypropylene film wound, non-inductive construction.
Flame-retardant plastic box (UL94-V0), flame-retardant epoxy resin filled.
To obtain safety approvals of China and other countries/regions in Europe and America.
Especially used in applications of across-the-line, line-by-pass. Also suitable for spark killer circuits, EMI filter, switching power supply, power tool and other electronic circuits and electronic equipment with requirements of interference suppression.
Mark | Country | Reference standard | Certificate Number | |
UL | 美 国 | USA | UL 60384-14 | 310VAC/250VAC: No. E306193 |
cUL | 加拿大 | Canada | ||
VDE | 德 国 | Germany | EN 60384-14 | 310VAC: No 40052822 275VAC: No40019428 |
ENEC | 欧 盟 | EU | ||
CQC | 中 国 | China | GB/T 6346.14-2015 | 310VAC: CQC 20001255337 250VAC: CQC 06001017324 |
●Specifications
Class | X2 | ||
UR Rated Voltage UR | 310Vac 50/60Hz | 275Vac/250Vac 50/60Hz | |
Climatic Category /Passive Flammability | 40/105/21/B | 40/85/21/B | |
Capacitance Range | 0.001~4.7μF | 0.001~2.2μF | |
Capacitance Tolerance | K: ±10%,M: ±20% | K: ±10% | |
Voltage Proof Between Terminals | 4.3UR DC ( 1min ) | ||
Voltage Proof Between Terminals and Case | 2120VAC ( 1min ) | ||
Dissipation Factor | ≤ 0.0020 0.001μF≤CR<0.47μF ( 20℃ 10kHz ) | ||
≤ 0.0030 0.47μF≤CR≤1.0μF ( 20℃ 10kHz ) | |||
≤ 0.0020 1.0μF<CR≤4.7μF ( 20℃ 1kHz ) | |||
Insulation Resistance | ≥15000MΩ CR≤0.33μF ≥5000MΩ·μF CR>0.33μF | ( 20℃ 1min ) | |
Part number system
●The 16 digits part number is formed as follow:
1 | 2 | 3 | 4 | 5 | 6 | 7 | 8 | 9 | 10 | 11 | 12 | 13 | 14 | 15 | 16 |
C | 4 | A |
Digit 1 to 3 Series code
C4A=CIS
Digit 4 to 6 Rated voltage
163=101×63 V=630 V
216=102×16 V=1600 V
Digit 7 AC/DC
A=AC D=DC
Digit 8 to 10 Rated capacitance value
310=103×10 pF=0.01μF
Digit 11 Capacitance tolerance
J=±5%,K=±10%,M=±20%
Digit 12 to 16 Internal use
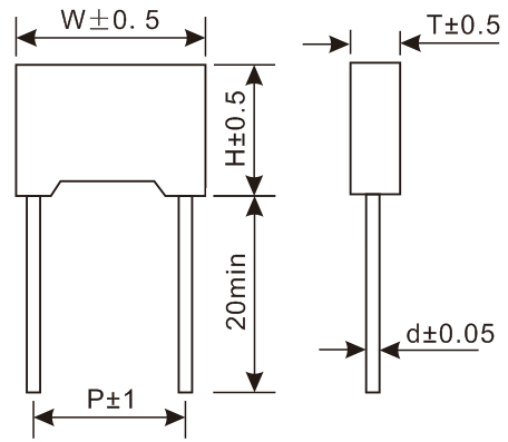
● Dimensions
275VAC | 275VAC | |||||||||||||
CR | W | H | T | P | d | Part Number | CR | W | H | T | P | d | Part Number | |
0.001 | 13 | 9 | 4 | 10 | 0.6 | C4A127A210-4A*** | 0.15 | 18 | 14.5 | 8.5 | 15 | 0.8 | C4A127A415-6B*** | |
0.0012 | 13 | 9 | 4 | 10 | Inquiry Now
NavigationContact Us
![]() Mobile ![]() CopyRight © 2018-2026 CJE Capacitor (Changjie Technology Co.,Ltd) All rights reserved. Sitemap
Designed by Zhonghuan Internet
| |||||||||