

LOOK AT PDF:C80_CBB80双面金属化聚丙烯膜电容器_2021.pdf
High-Voltage Double Sided Metallized Polypropylene Film Capacitors


● Description of Products
Double side metallized film, internal series connection, non-inductive construction.
Flame-retardant plastic box(UL94-V0),flame-retardant epoxy resin filled.
Very small dissipation factor at high-frequency and high insulation resistance,small internal temperature rise, withstanding high voltage and high pulse current, having excellent self-healing property.
Suitable for high-frequency and high-voltage pulse circuits,TV and monitor as line scanning back stroke , also suitable for electronic lighting(ballasts , energy-saving lamps, car headlights),SCR rectifiers, switching power supplies, and etc.
●Specifications
Reference Standard | GB/T 14579 | ||||||
Climatic Category | 40/105/56 | ||||||
Operating Temperature | -40℃~+105℃(85~+105℃:decreasing factor 1.25% per ℃ for UR) | ||||||
Rated Voltage | 250V、400V、630V、1000V、1600V、2000V( DC ) | ||||||
Capacitance Range | 0.00022~3.9μF | ||||||
Capacitance Tolerance | J :±5% K :±10% | ||||||
Voltage Proof | 1.6UR ( 5s ) | ||||||
Dissipation Factor | ≤0.0010 ( 20℃,1kHz ) | ||||||
Insulation Resistance | R≥30000MΩ, CR≤0.33μF | ( 20℃,100V,1min ) | |||||
RCR≥10000MΩ·μF,CR>0.33μF | |||||||
Max Pulse Rise Time(dV/dt) | UR(V) | dV/dt(V/μs) | |||||
P=7.5 | P=10 | P=15 | P=22.5 | P=27.5 | |||
250 | 1000 | 900 | 500 | 220 | 180 | ||
400 | 1600 | 1300 | 800 | 450 | 250 | ||
630 | 2800 | 2800 | 2200 | 1300 | 800 | ||
1000 | 5400 | 5400 | 2900 | 1800 | 900 | ||
1600 | — | — | 5400 | 2700 | 1800 | ||
2000 | — | — | 9000 | 4500 | 1900 | ||
Part number system
●The 16 digits part number is formed as follow:
1 | 2 | 3 | 4 | 5 | 6 | 7 | 8 | 9 | 10 | 11 | 12 | 13 | 14 | 15 | 16 |
C | 8 | 0 |
Digit 1 to 3 Series code
C80=CBB80
Digit 4 to 6 Rated voltage
163=101×63 V=630 V
216=102×16 V=1600 V
Digit 7 AC/DC
A=AC D=DC
Digit 8 to 10 Rated capacitance value
310=103×10 pF=0.01μF
Digit 11 Capacitance tolerance
H=±3%,J=±5%,K=±10%
Digit 12 to 16 Internal use
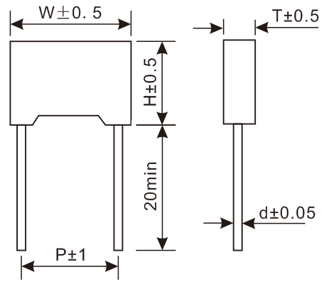
●Dimensions
250VDC | 250VDC | |||||||||||||
CR | W | H | T | P | d | Part Number | CR | W | H | T | P | d | Part Number | |
0.0068 | 10.5 | 9 | 4 | 7.5 | 0.6 | C80125D268-3**** | 0.18 | 18 | 13.5 | Inquiry Now
NavigationContact Us
![]() Mobile ![]() CopyRight © 2018-2026 CJE Capacitor (Changjie Technology Co.,Ltd) All rights reserved. Sitemap
Designed by Zhonghuan Internet
| ||||